Ceramiche a tubetto con orlo - PORCEL004
search
  • Ceramiche a tubetto con orlo - PORCEL004
  • Ceramiche a tubetto con orlo - PORCEL004

Ceramiche a tubetto con orlo - PORCEL004

PORCEL004

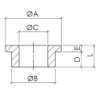
Caratteristiche tecniche

ØA
6,4
ØB
4,8
ØC
3,2
L
4,5
D
3,1
E
1,4
COLORE
ROSA
Richiesta Quotazione Personalizzata

Informativa sulla Privacy: i dati qui raccolti saranno usati solo e soltanto per le finalità del trattamento di richiesta quotazione personalizzata prodotti.