Ceramiche a tubetto con orlo - PORCEL040
search
  • Ceramiche a tubetto con orlo - PORCEL040
  • Ceramiche a tubetto con orlo - PORCEL040

Ceramiche a tubetto con orlo - PORCEL040

PORCEL040

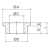
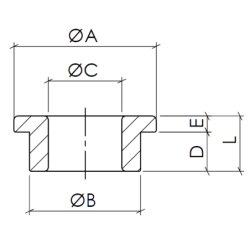
Caratteristiche tecniche

ØA
8,7
ØB
6,6
ØC
3,8
L
4,7
D
3
E
1,7
COLORE
ROSA
Richiesta Quotazione Personalizzata

Informativa sulla Privacy: i dati qui raccolti saranno usati solo e soltanto per le finalità del trattamento di richiesta quotazione personalizzata prodotti.