Ceramiche a tubetto con orlo - PORCEL120
search
  • Ceramiche a tubetto con orlo - PORCEL120
  • Ceramiche a tubetto con orlo - PORCEL120

Ceramiche a tubetto con orlo - PORCEL120

PORCEL120

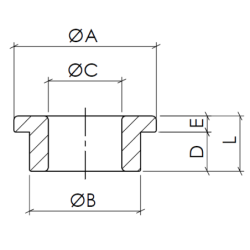
Caratteristiche tecniche

ØA
14,2
ØB
10,4
ØC
6,9
L
20,6
D
18
E
2,6
COLORE
ROSA
Richiesta Quotazione Personalizzata

Informativa sulla Privacy: i dati qui raccolti saranno usati solo e soltanto per le finalità del trattamento di richiesta quotazione personalizzata prodotti.