Ceramiche a tubetto con orlo - PORCEL251-PGB
search
  • Ceramiche a tubetto con orlo - PORCEL251-PGB
  • Ceramiche a tubetto con orlo - PORCEL251-PGB

Ceramiche a tubetto con orlo - PORCEL251-PGB

PORCEL251-PGB

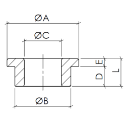
Caratteristiche tecniche

ØA
15,6
ØB
13,7
ØC
10
L
5,9
D
3,9
E
2
COLORE
NERO
Richiesta Quotazione Personalizzata

Informativa sulla Privacy: i dati qui raccolti saranno usati solo e soltanto per le finalità del trattamento di richiesta quotazione personalizzata prodotti.